
The Apple-1 was one of the first complete single board computers available to the public. While it was concidered complete, it did not come with power transformers, case or keyboard. The main board contained the linear power regulation portion of the power supply, ASCII terminal, CPU, IO hardware and memory. The Apple-1 also included a "monitor" program in 256 bytes of prom which allowed the system to be ready to operate and run software immediatly after startup. Simply turn on the Apple-1, send the clear screen signal to the terrminal section and reset the 6502 processor. The Apple-1 also did not include either serial or parallel IO ports standard as both parallel IO ports on the 6820 were used, one by the terminal and one by the Keyboard. This arrangement was not kept for the Apple II where the 6502 CPU performed the terminal functions in software, in the Apple-1 the terminal was completely harware implemented. The only available board for the periphal slot was the Apple Cassette Interface, unique at the time because it was completely digital.

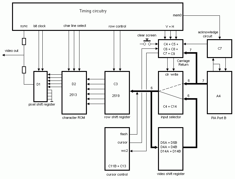
Block Diagrams of the Apple-1 courtesy of www.sbproducts.com.
Please note: The Apple-1 actually used an AMI 6820 PIA and on later NTI boards, a Signetics SY6521 not the 6821 or compatible 68B21 PIA.


www.myapplecomputer.net